Dispositif de sécurité pour portes sectionnelles industrielles
Dispositif de sécurité pour portes sectionnelles industrielles
Dispositif de sécurité pour portes sectionnelles industrielles
Dispositif de sécurité pour portes sectionnelles industrielles

DISPOSITIFS DE SÉCURITE PAR CABLE

La sécurité industrielle qui réagit au bon moment

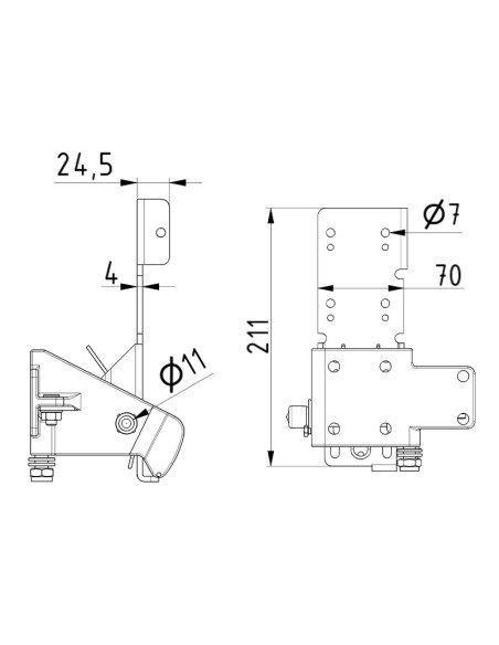
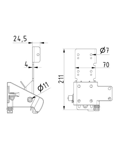
Les dispositifs de sécurité par câble pour portes sectionnelles sont la solution idéale pour éviter les accidents en milieu professionnel. Leur fonction est simple mais essentielle : si un câble se casse ou se détend, le système se déclenche automatiquement et bloque la porte pour l’empêcher de tomber.

  • Mécanisme de verrouillage automatique en cas de rupture ou relâchement du câble
  • Conception robuste en acier haute résistance
  • Compatibilité avec une large gamme de portes sectionnelles industrielles

Une protection discrète mais indispensable. Parce que quand tout le reste échoue, ce système tient bon.

Cantidad
 

Une protection discrète, un impact majeur

Dans un environnement industriel, une porte n’est pas qu’une simple ouverture : c’est une structure lourde, en mouvement constant, avec des enjeux bien réels. Et quand sa stabilité repose sur des câbles, mieux vaut prévoir un plan B fiable. C’est exactement le rôle des dispositifs de sécurité par câble. Peu visibles, mais terriblement efficaces. En cas de problème, ils répondent présents.

Caractéristiques clés :

  • Verrouillage automatique immédiat : détecte la perte de tension et bloque la porte avant qu’elle ne chute.
  • Matériaux ultra résistants : fabriqués en acier de haute qualité, conçus pour résister aux conditions industrielles extrêmes.
  • Conception adaptable : compatibles avec différents types et tailles de portes, certains modèles intègrent des indicateurs visuels et un système de réarmement sécurisé.

Avantages concrets dès le premier jour :

  • Prévention des accidents graves : protège le personnel contre les chutes inattendues.
  • Protection des installations : évite les dégâts matériels coûteux et les interruptions d’activité.
  • Économies à long terme : moins de réparations, moins de risques, plus de sérénité.
  • Conformité réglementaire : répond aux exigences de sécurité imposées dans de nombreux pays.
  • Tranquillité d’esprit : un environnement plus sûr pour vos équipes et vos équipements.

Investir dans ces dispositifs, ce n’est pas un luxe : c’est une mesure essentielle. Ils passent inaperçus la plupart du temps, mais le jour où il faut agir… ils ne vous laisseront pas tomber.

15 autres produits dans la même catégorie :